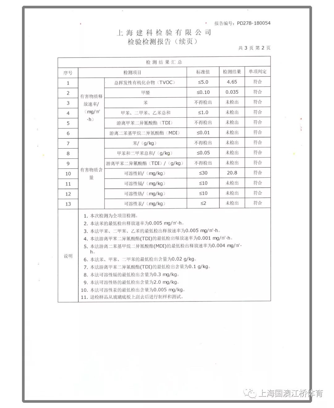
GreenSet全进口丙烯酸网球场面层通过T/310101002-C003-2016全项目检测

发布时间:2018-07-14 08:50:35

西班牙品牌GreenSet专业丙烯酸网球场面层




上海国澳江

赞赏

长按二维码向我转账

受苹果公司新规定影响,微信 iOS 版的赞赏功能被关闭,可通过二维码转账支持公众号。

    阅读

    联系我们

    联系人:舒工

    手机:13726017833

    电话:0760-86320799 86697448

    QQ:64407753

    地址:广东省中山市三乡镇乌石村万里路2号16卡首层

    微信公众号

    扫一扫,关注公众号

    在线留言

    扫一扫加好友


    在线留言
    您的姓名
    邮箱
    联系电话
    留言内容